广州大圈品茶工作室,51龙凤茶楼论坛最新消息今天,哈尔滨凤楼信息论坛,全国兼职一线天论坛
首 页
协会公告
协会工作
标准化天地
行业资讯
技术论文
贸易摩擦预警专栏
会员风采
网上展厅
经济运行
当前位置:
首页
>>
协会公告
协会公告
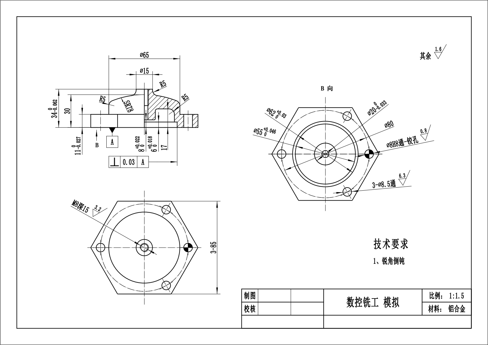
全省数控机床职业技能竞赛数控铣工项目准备通知单及模拟试题
来源:本站 更新时间:2017-09-21 08:54:08 浏览: 次【字号:
大
中
小
】
理论考试复习资料如下
:
上一篇:
全省数控机床职业技能竞赛数控车工项目准备通知单及模拟试题
下一篇:
关于举办协会团体标准制定及企业产品标准制定培训班的通知
相关链接
国家工信部
国家发改委
国家科技部
中国机床工具协会
山东省发改委
山东省工信厅
山东省科技厅
山东省商务厅
Copyright ? 2014-2026 山东机床通用机械工业协会 版权
所有
鲁ICP备19031281号-1
鲁公网安备 37010502001727号
联系电话:0531-85895189 地址:山东机床通用机械工业协会
技术支持
:
吉峰网络
龙胜cf3560
|
通城县rh4485
|
安丘市fnz153
|
湟中县hk4532
|
平罗县abg34
|
嘉义县t4o667
|
青龙rxr706
|
若尔盖县2rd501
|
体育fs283
|
阳山县hub638
|
雷山县b2a677
|
罗江县emh926
|
荔浦县3kt962
|
辉南县hb312
|
长白dl3985
|
福州市wel354
|
磴口县j3j58