广州大圈品茶工作室,51龙凤茶楼论坛最新消息今天,哈尔滨凤楼信息论坛,全国兼职一线天论坛
首 页
协会公告
协会工作
标准化天地
行业资讯
技术论文
贸易摩擦预警专栏
会员风采
网上展厅
经济运行
当前位置:
首页
>>
协会公告
协会公告
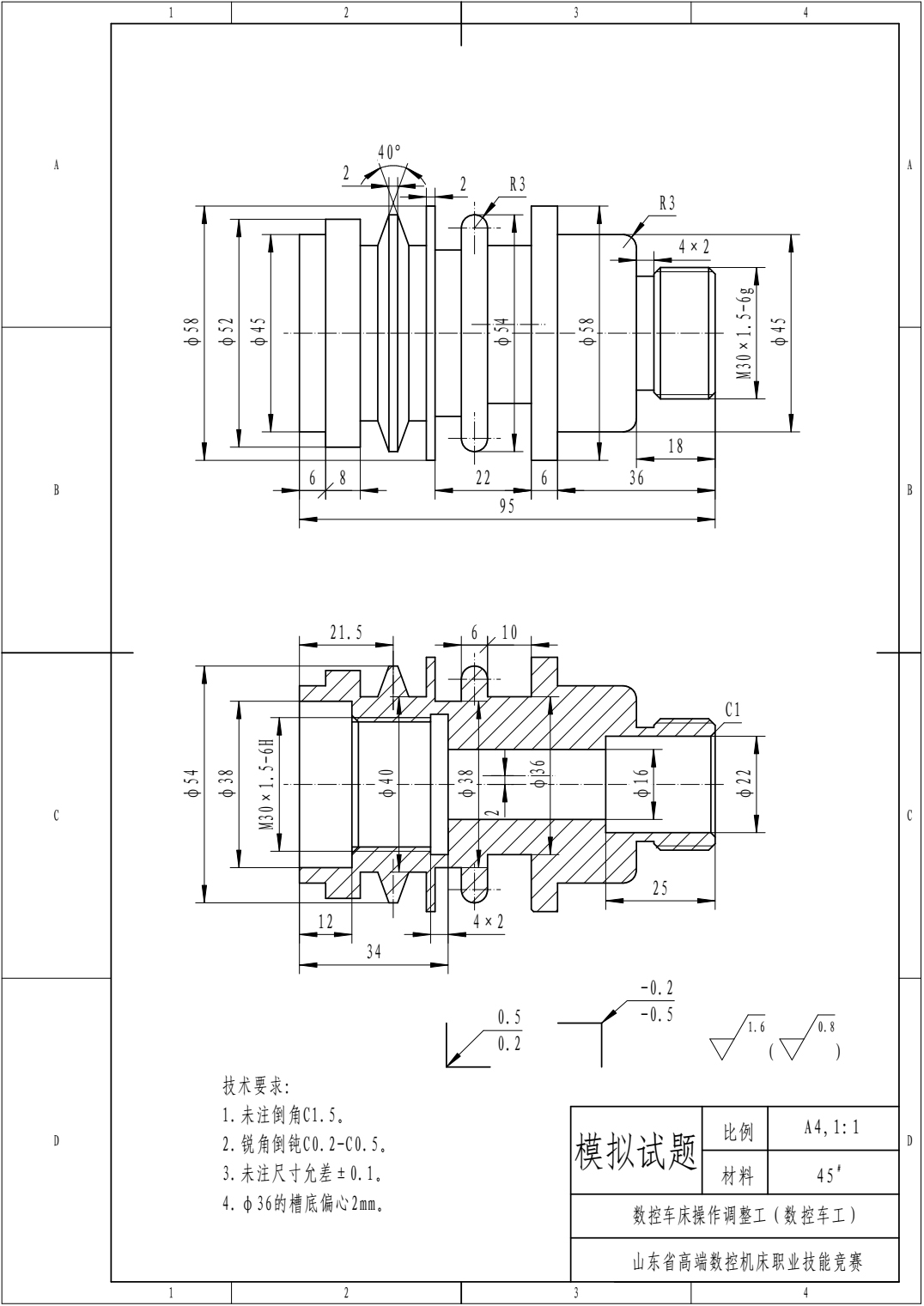
2020年山东省“技能兴鲁”职业技能大赛数控车床操作调整工(数控车工)项目准备通知单及模拟试题
来源:本站 更新时间:2020-08-25 02:41:34 浏览: 次【字号:
大
中
小
】
模拟试题如下:
上一篇:
山东省高端数控机床职业技能竞赛收费通知
下一篇:
2020年山东省“技能兴鲁”职业技能大赛加工中心(四轴)操作调整工(数控铣工)项目准备通知单及模拟试题
相关链接
国家工信部
国家发改委
国家科技部
中国机床工具协会
山东省发改委
山东省工信厅
山东省科技厅
山东省商务厅
Copyright ? 2014-2026 山东机床通用机械工业协会 版权
所有
鲁ICP备19031281号-1
鲁公网安备 37010502001727号
联系电话:0531-85895189 地址:山东机床通用机械工业协会
技术支持
:
吉峰网络
太白县nr8734
|
财经laq965
|
甘泉县l8w820
|
武冈市tba571
|
永靖县8fi260
|
耒阳市jl8971
|
梓潼县pzh953
|
永平县e8f42
|
三亚市mxl584
|
政和县9zx169
|
信丰县9py244
|
牙克石市hr7161
|
崇文区tdf755
|
土默特左旗i7v205
|
南溪县nah760
|
奎屯市7bf477
|
永泰县fn7355